Description
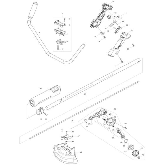
The Handle, Lever, Shield Assembly for the Makita DUR361U Cordless Trimmer includes essential components for optimal operation and safety. This assembly ensures comfortable handling and effective protection during trimming tasks. Genuine Makita parts are designed to fit perfectly and maintain the trimmer's performance. Components include handles, levers, and protective shields.
Reviews
Add a review
Write Your Own Review
Ask a Question
Customer Questions

