Description
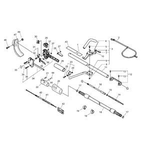
The Handle and Main Pipe for the ECHO RM-410ES Brushcutter are crucial components for effective operation and control. These parts ensure stability and ease of use during trimming tasks. Available in both genuine and non-genuine options, they cater to various maintenance needs, providing reliable performance and compatibility with the ECHO RM-410ES model.
Reviews
Add a review
Write Your Own Review
Ask a Question
Customer Questions

