Description
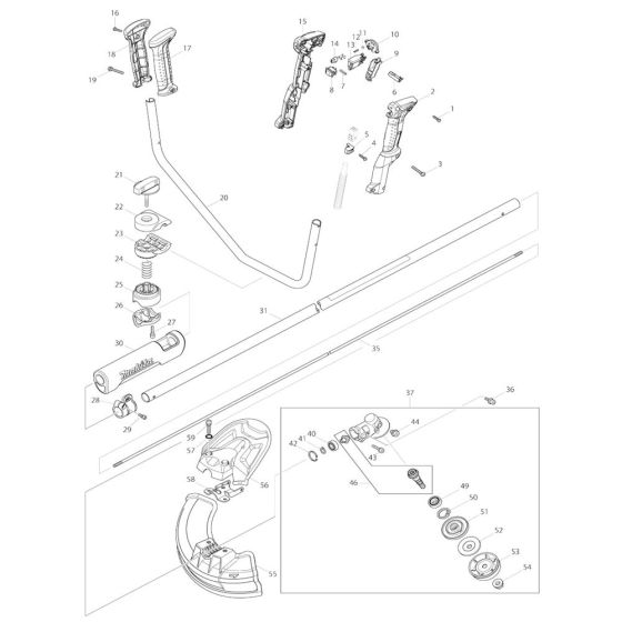
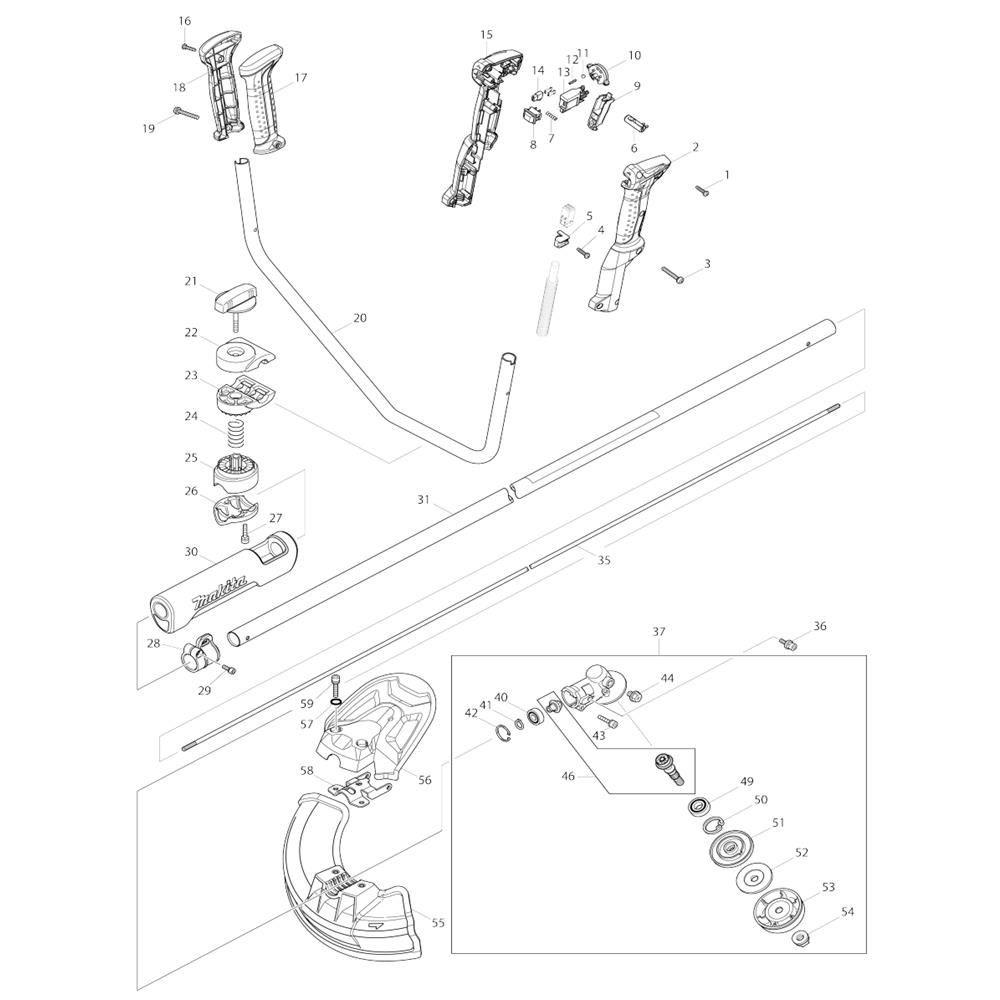
The Handle, Pipe, Shield Assembly for the Makita BC231UD Brushcutter includes essential components for optimal performance and safety. This assembly ensures effective operation by providing sturdy support and protection during use. Genuine Makita parts are available, including handles, pipes, and protective shields, designed to fit the BC231UD model.
Reviews
Add a review
Write Your Own Review
Ask a Question
Customer Questions

