Description
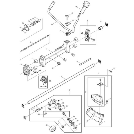
The Handle, Pipe, Shield Assembly for the Makita EM4340L Brushcutter includes crucial components for optimal performance and safety. This assembly ensures effective control and protection during operation, featuring parts such as handles, pipes, and shields. Designed for durability and compatibility, it supports efficient brushcutting tasks.
Reviews
Add a review
Write Your Own Review
Ask a Question
Customer Questions

