Description
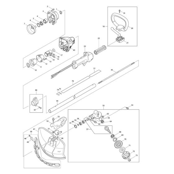
The Handle, Pipe, Shield Assembly for the Makita EM4350LH Brushcutter includes key components designed to enhance performance and safety. This assembly ensures optimal handling and protection during operation, featuring genuine Makita parts. Components such as handles, pipes, and shields are included to maintain the brushcutter's efficiency and durability.
Reviews
Add a review
Write Your Own Review
Ask a Question
Customer Questions

