Description
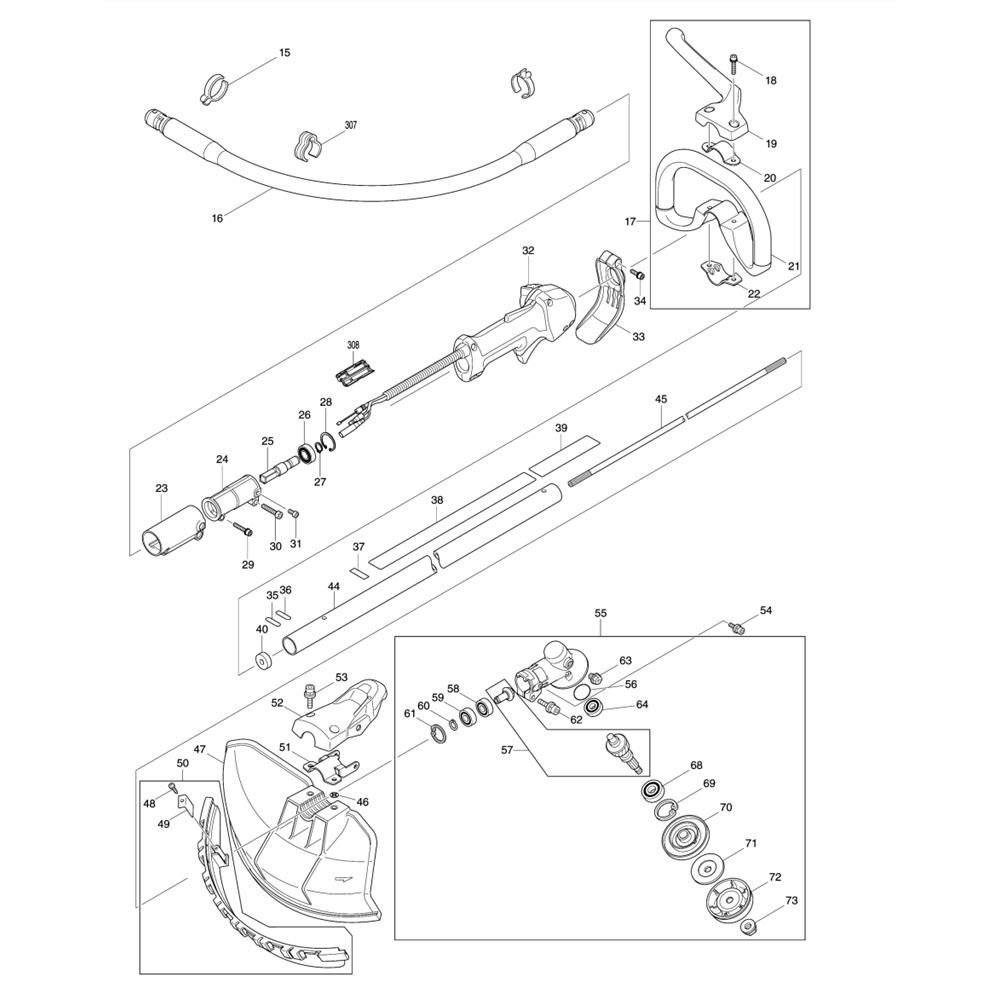
The Handle, Pipe, Shield Assembly for the Makita EM4350RH Brushcutter includes key components to ensure optimal performance and safety. This assembly is crucial for maintaining control and protecting the operator during use. Genuine Makita parts ensure compatibility and reliability, featuring handles, pipes, and protective shields designed for this specific model.
Reviews
Add a review
Write Your Own Review
Ask a Question
Customer Questions

