Description
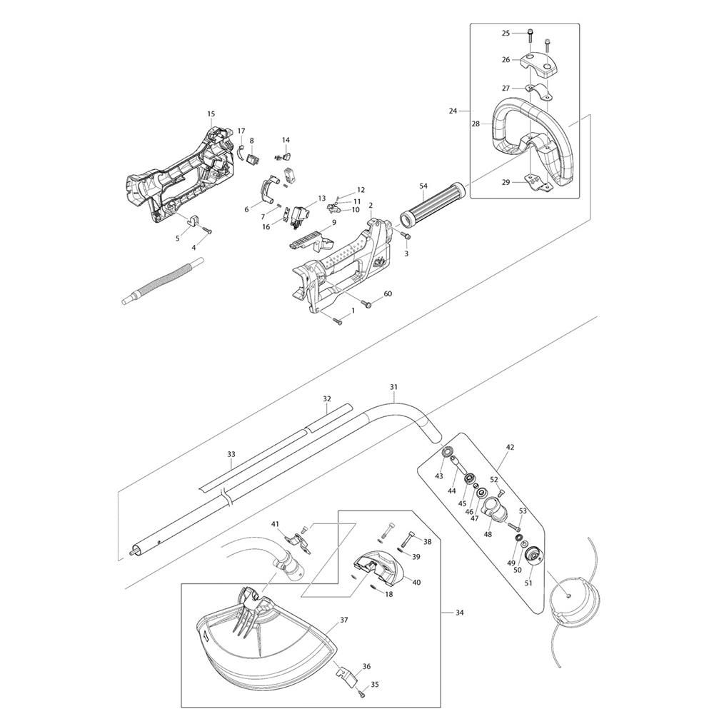
The Handle and Shield Assembly for the Makita BUR360 Cordless Trimmer is designed to enhance user comfort and safety during operation. This assembly includes components such as the handle grip and protective shield, ensuring effective trimming while safeguarding against debris. Genuine Makita parts ensure compatibility and reliability.
Reviews
Add a review
Write Your Own Review
Ask a Question
Customer Questions

