Description
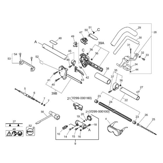
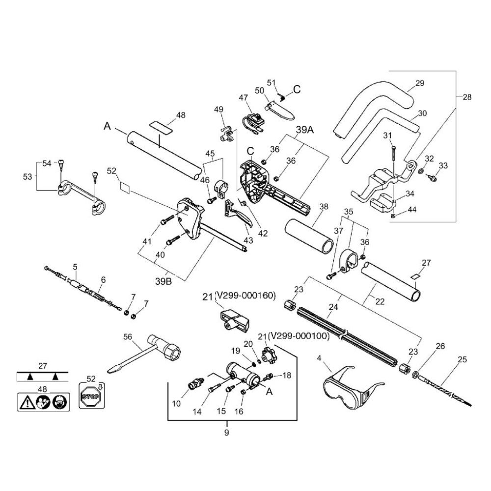
The Handle Tool for the ECHO PAS-2400 Multi-Tool Power Unit is designed for models with serial numbers 36012047 and before. This component ensures comfortable and efficient operation of your multi-tool. Available in both genuine and non-genuine parts, it supports various attachments for versatile gardening and landscaping tasks.
Reviews
Add a review
Write Your Own Review
Ask a Question
Customer Questions

