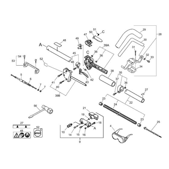
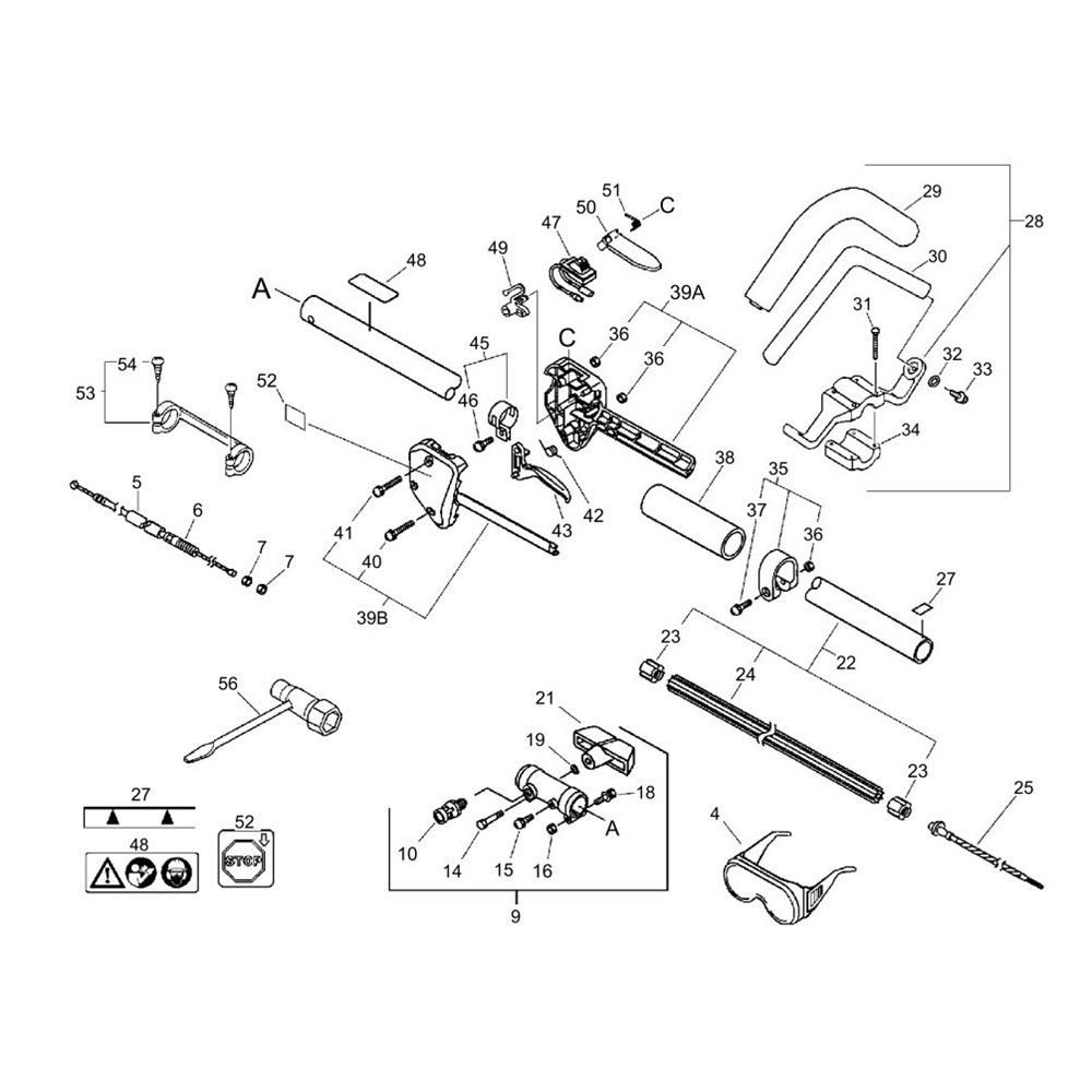
Description
The Handle Tool for the ECHO PAS-2400 Multi-Tool Power Unit is designed for models with serial numbers 36012048 and after. This component ensures a secure grip and optimal control during operation. Available in genuine and non-genuine parts, it supports various attachments, enhancing the versatility of your multi-tool system.
Reviews
Add a review
Write Your Own Review
Ask a Question
Customer Questions

