Description
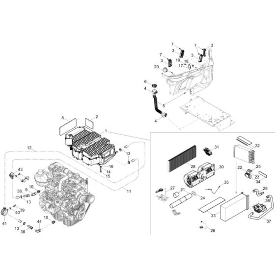
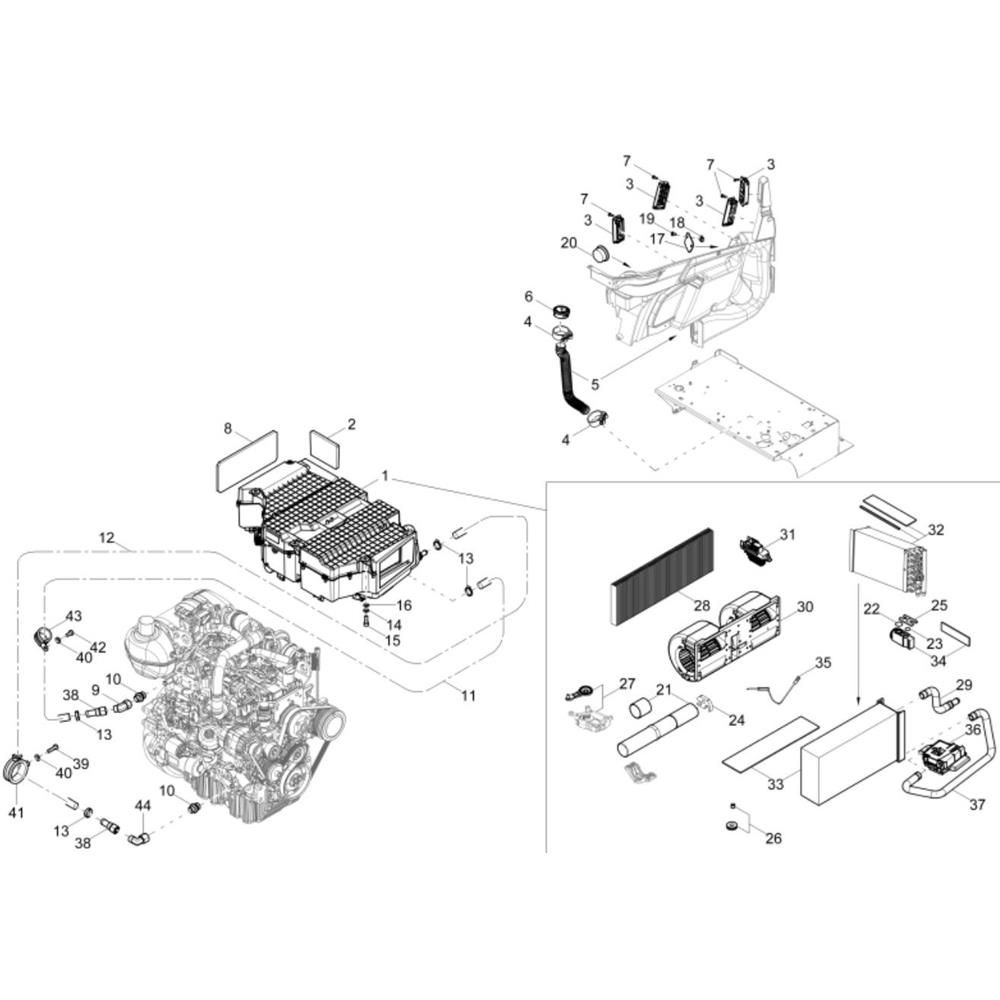
The Heating Assembly for the Wacker ET90 Mini Excavator is designed to ensure optimal temperature control within the cab, enhancing operator comfort and efficiency. This assembly includes components such as ducts, vents, and control units, all tailored to fit the Wacker ET90 model. Genuine Wacker Neuson parts ensure compatibility and reliability.
Reviews
Add a review
Write Your Own Review
Ask a Question
Customer Questions

