Description
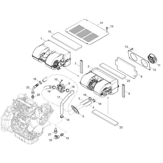
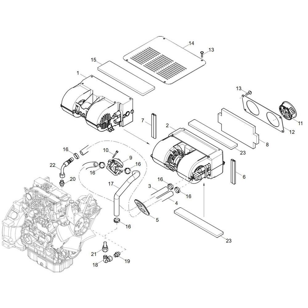
The Heating Assembly for the Wacker ET20 Mini Excavator is designed to ensure optimal temperature control within the cab, enhancing operator comfort during use. This assembly includes components such as hoses, valves, and connectors, which work together to provide efficient heating. Genuine Wacker Neuson parts ensure compatibility and reliability.
Reviews
Add a review
Write Your Own Review
Ask a Question
Customer Questions

