Description
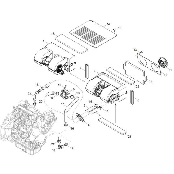
The Heating Assembly for the Wacker ET24 Mini Excavator is designed to ensure optimal temperature control within the cabin, enhancing operator comfort and efficiency. This assembly includes components such as heaters, ducts, and control units, all essential for maintaining a consistent and comfortable working environment. Genuine Wacker Neuson parts ensure compatibility and reliability.
Reviews
Add a review
Write Your Own Review
Ask a Question
Customer Questions

