Description
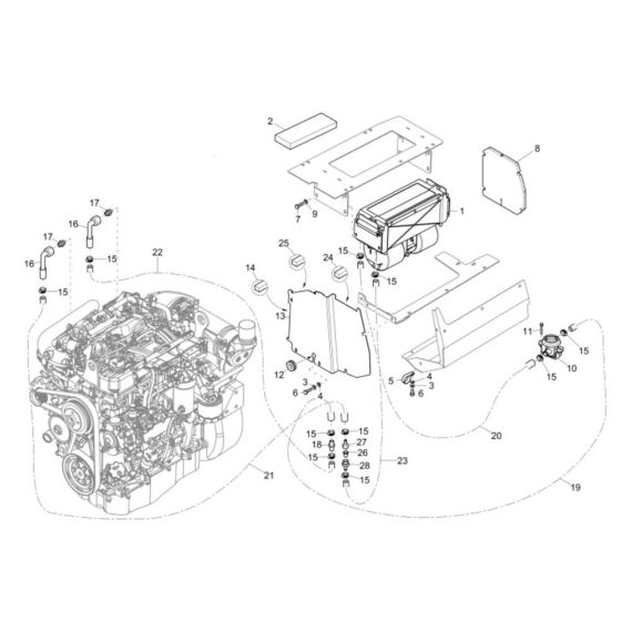
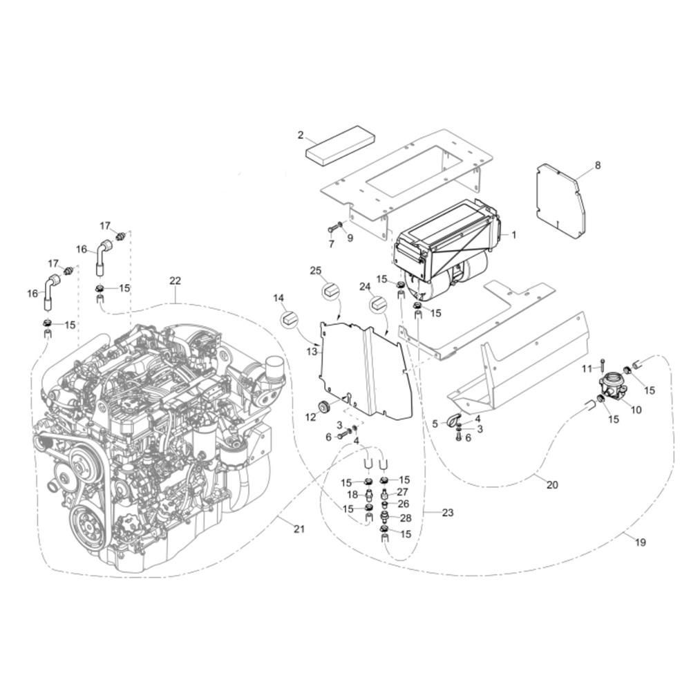
The Heating Assembly for the Wacker Neuson DW90 Dumper is designed to ensure optimal temperature control within the machine. It plays a crucial role in maintaining efficient operation, especially in colder environments. This assembly includes components such as heating elements, thermostats, and control units, all essential for reliable performance. Genuine Wacker Neuson parts ensure compatibility and durability.
Reviews
Add a review
Write Your Own Review
Ask a Question
Customer Questions

