Description
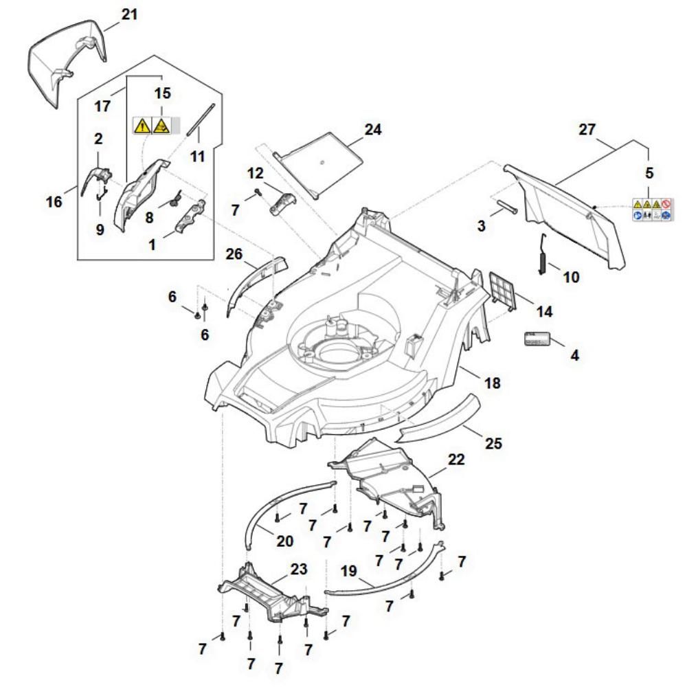
The Housing Assembly for the Stihl RMA 443.3 Lawn Mower is a crucial component designed to protect and house the mower's internal parts. This genuine Stihl part ensures the mower operates efficiently by safeguarding the engine and other vital components from external elements. Available options may include various covers, fasteners, and protective casings to suit different maintenance needs.
Reviews
Add a review
Write Your Own Review
Ask a Question
Customer Questions

