Description
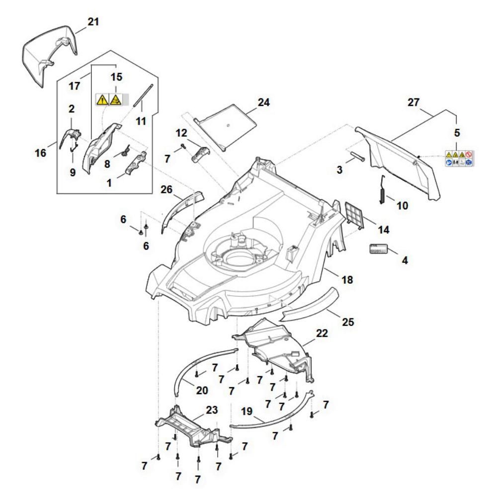
The Housing Assembly for the Stihl RMA 443.3 V Lawn Mower is a genuine Stihl part designed to protect and house the mower's internal components. This assembly ensures the mower operates efficiently by safeguarding the engine and other vital parts from debris and damage. It includes various components such as covers, fasteners, and seals, all essential for maintaining the mower's performance.
Reviews
Add a review
Write Your Own Review
Ask a Question
Customer Questions

