Description
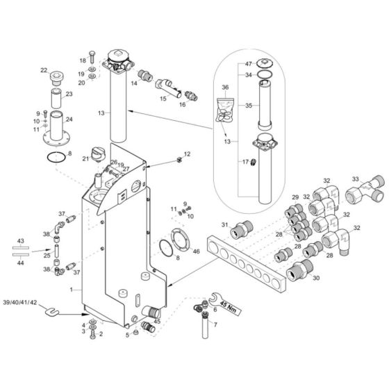
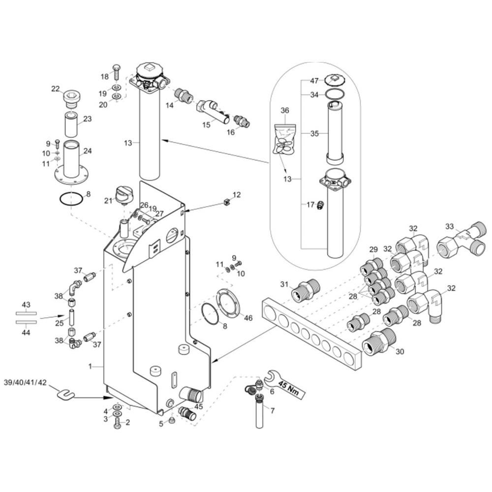
The Hydraulic Tank Assembly for the Wacker EZ53 Mini Excavator is designed to ensure efficient hydraulic fluid storage and distribution. This assembly includes components such as tanks, seals, and fittings, crucial for maintaining the excavator's hydraulic system. Genuine Wacker Neuson parts guarantee compatibility and reliability, supporting optimal machine performance.
Reviews
Add a review
Write Your Own Review
Ask a Question
Customer Questions

