Description
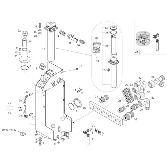
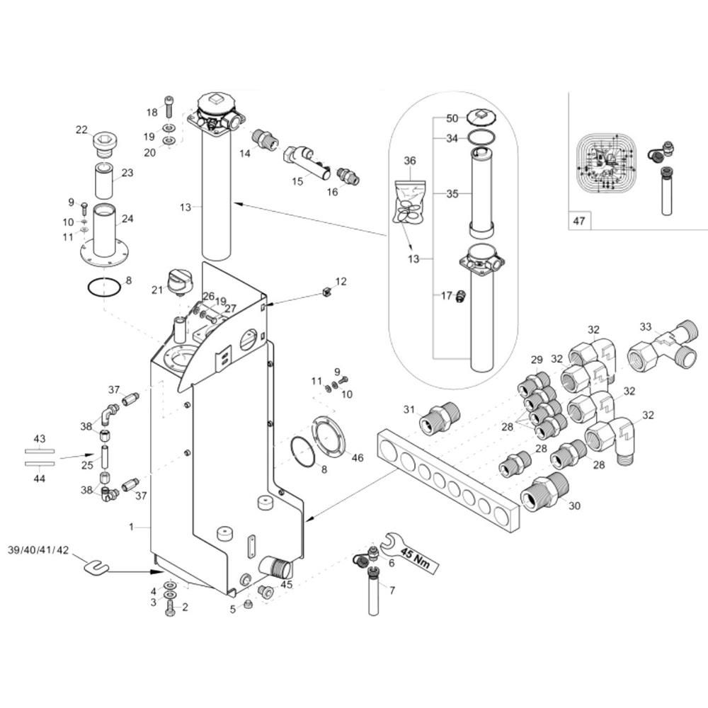
The Hydraulic Tank Assembly for the Wacker 50Z3 Mini Excavator is crucial for maintaining hydraulic fluid levels and ensuring efficient operation. This assembly includes components such as tanks, seals, and fittings, designed to fit the Wacker Neuson model precisely. Regular maintenance of these parts helps prevent leaks and ensures optimal performance of the excavator's hydraulic system.
Reviews
Add a review
Write Your Own Review
Ask a Question
Customer Questions

