Description
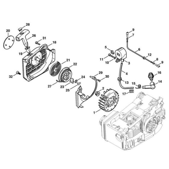
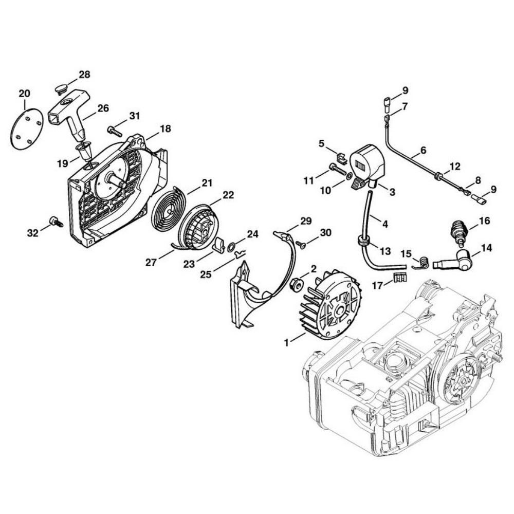
The Ignition System Assembly for Stihl MC 200 Special-Purpose Units ensures optimal engine performance by providing reliable ignition. This genuine Stihl part includes components such as spark plugs, ignition coils, and wiring, designed to maintain efficient combustion and engine reliability. Suitable for routine maintenance and repair, it helps extend the lifespan of your equipment.
Reviews
Add a review
Write Your Own Review
Ask a Question
Customer Questions

