Description
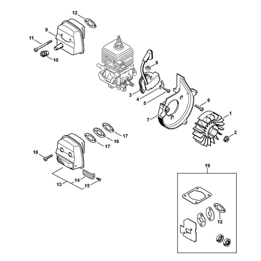
The Ignition System and Muffler for the Stihl BG 55 Leaf Blower are crucial for optimal performance and noise reduction. The ignition system ensures efficient starting and operation, while the muffler reduces exhaust noise and emissions. Available in genuine and non-genuine options, these components help maintain the blower's reliability and efficiency.
Reviews
Add a review
Write Your Own Review
Ask a Question
Customer Questions

