Description
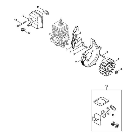
The Ignition System and Muffler for the Stihl BG 85 Leaf Blower are crucial for optimal performance and noise reduction. The ignition system ensures efficient starting and operation, while the muffler reduces exhaust noise and emissions. Available components include spark plugs, ignition coils, and exhaust gaskets, suitable for both genuine and non-genuine parts.
Reviews
Add a review
Write Your Own Review
Ask a Question
Customer Questions

