Description
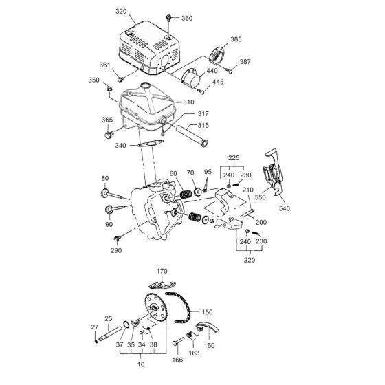
The Intake and Exhaust Assembly for the Wacker WM 170 Engine includes vital components to ensure optimal engine performance. This assembly helps manage air and exhaust flow, crucial for maintaining engine efficiency and longevity. Components such as manifolds, gaskets, and valves are included, providing reliable operation and support for routine maintenance.
Reviews
Add a review
Write Your Own Review
Ask a Question
Customer Questions

