Description
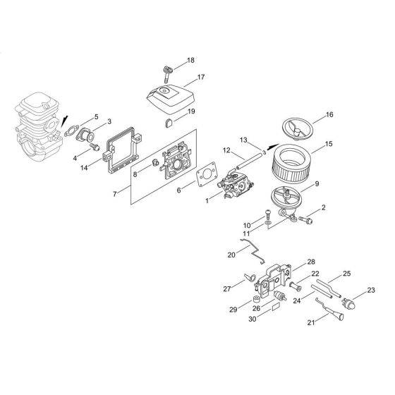
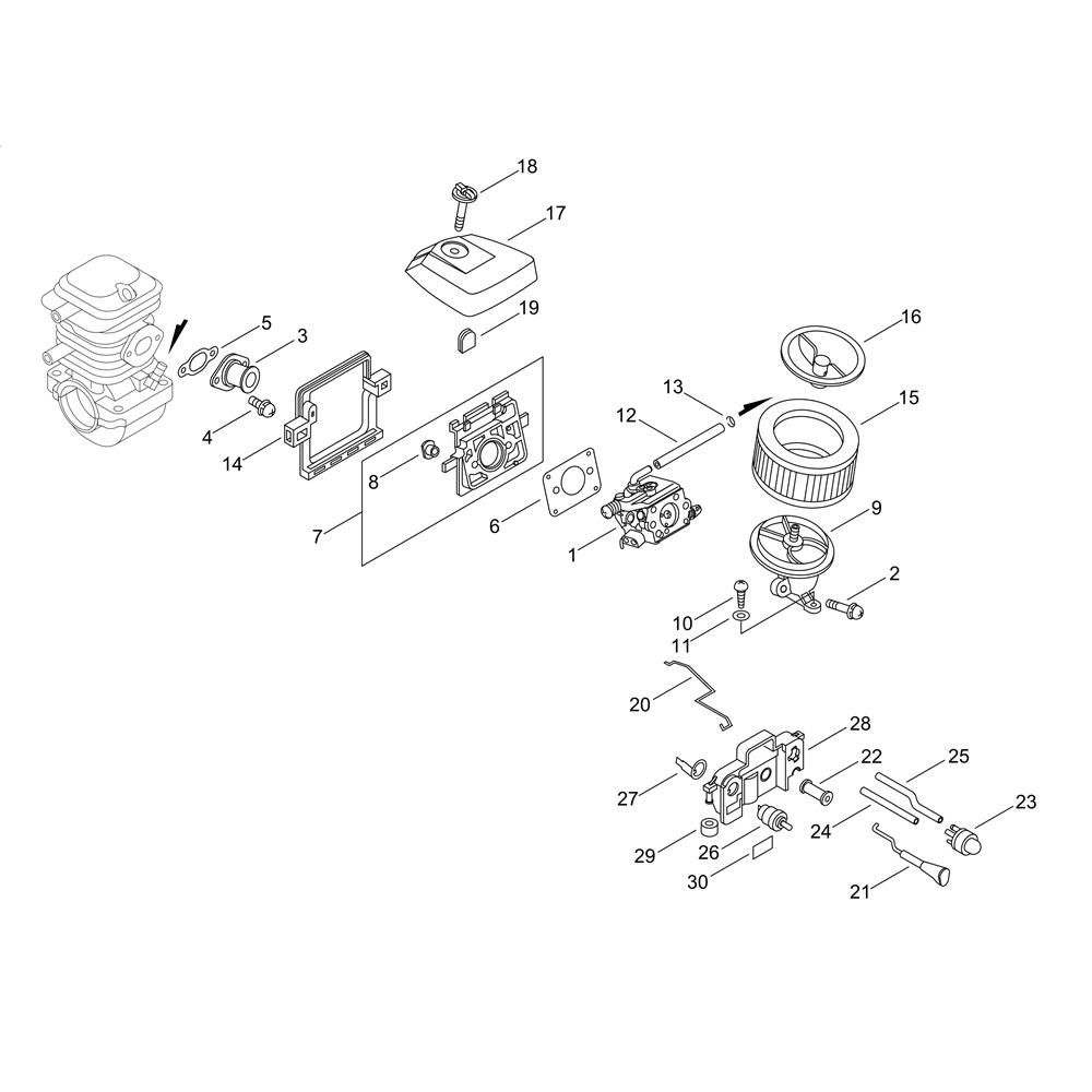
The intake assembly for the Shindaiwa 402S Chainsaw ensures efficient air and fuel delivery to the engine, maintaining optimal performance. This set includes various components such as gaskets, seals, and connectors, designed to fit precisely and function reliably. Essential for routine maintenance, these parts help in reducing wear and prolonging the chainsaw's lifespan.
Reviews
Add a review
Write Your Own Review
Ask a Question
Customer Questions

