Description
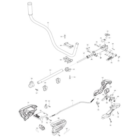
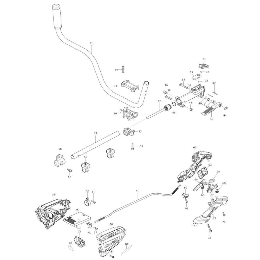
The Lever Assembly for the Makita DUR191U Cordless Trimmer is essential for maintaining optimal control and performance. This assembly includes components such as levers, springs, and fasteners, ensuring precise operation and durability. Designed for easy integration, it supports the trimmer's functionality, enhancing user experience and efficiency.
Reviews
Add a review
Write Your Own Review
Ask a Question
Customer Questions

