Description
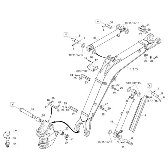
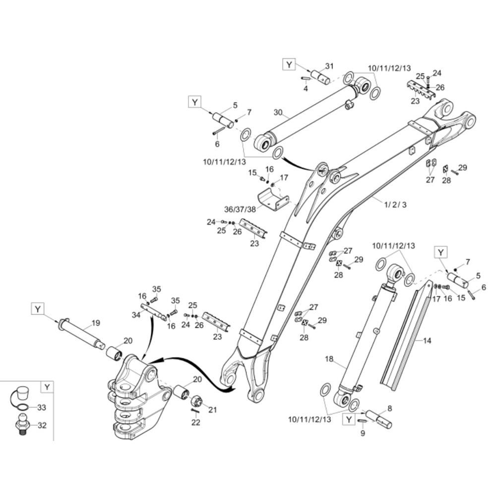
The Lift Arm Assembly for the Wacker 28Z3 Mini Excavator is crucial for efficient operation and handling. This assembly includes components such as hydraulic cylinders, pins, and bushings, ensuring smooth and precise movement. Designed for durability and compatibility, it supports the excavator's lifting and digging functions, maintaining optimal performance.
Reviews
Add a review
Write Your Own Review
Ask a Question
Customer Questions

