Description
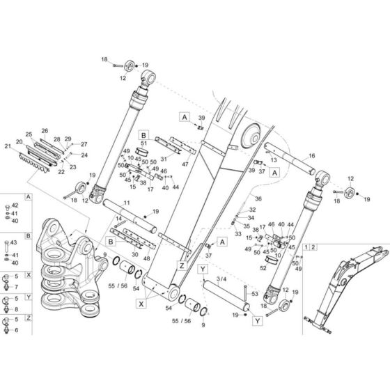
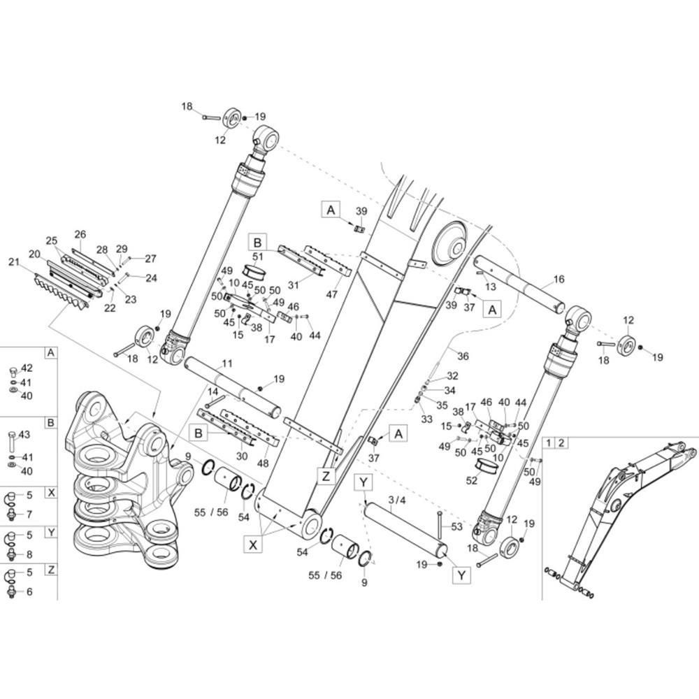
The Lift Arm Assembly for the Wacker ET145 Mini Excavator is essential for optimal machine operation. It includes components such as hydraulic cylinders, pins, and bushings, which ensure smooth and efficient lifting. Designed for durability, this assembly supports various excavation tasks, enhancing the machine's performance and reliability. Genuine Wacker Neuson parts ensure compatibility and longevity.
Reviews
Add a review
Write Your Own Review
Ask a Question
Customer Questions

