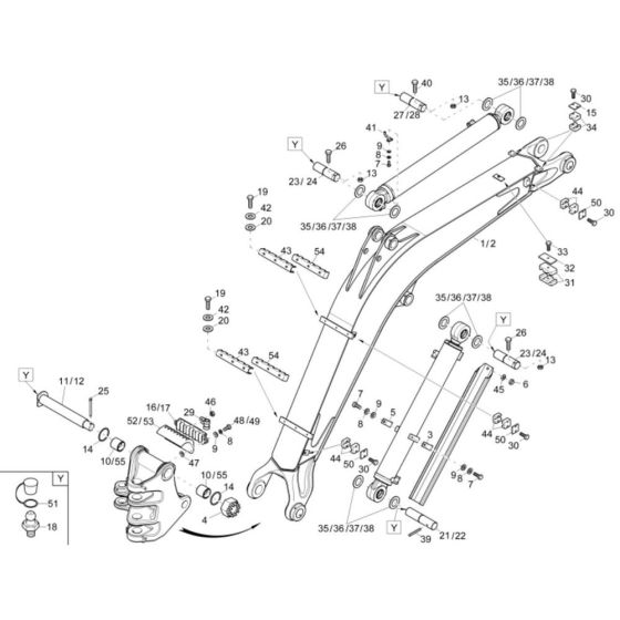
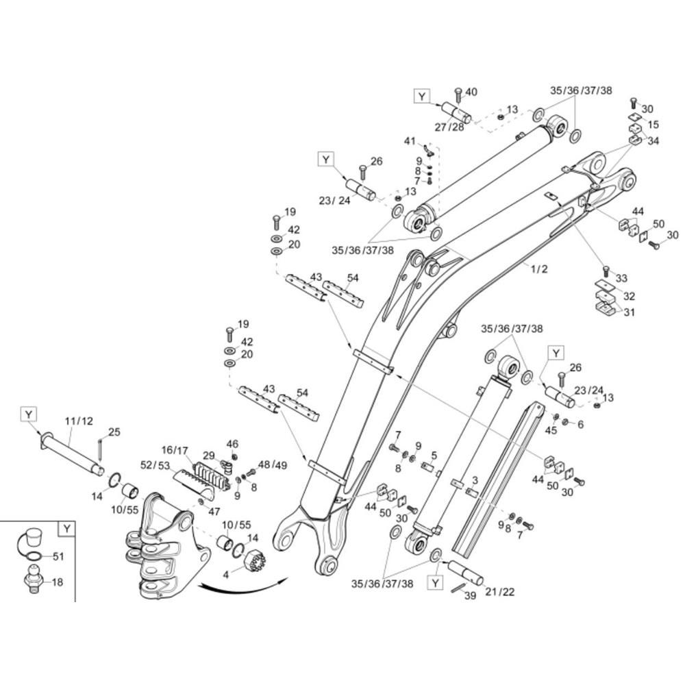
Description
The Lift Arm Assembly for the Wacker EZ53 Mini Excavator is designed to ensure optimal performance and durability. This assembly includes key components such as hydraulic cylinders, pins, and bushings, which are essential for the efficient operation of the excavator's lifting mechanism. Genuine Wacker Neuson parts ensure compatibility and reliability, maintaining the machine's functionality and extending its service life.
Reviews
Add a review
Write Your Own Review
Ask a Question
Customer Questions

