Description
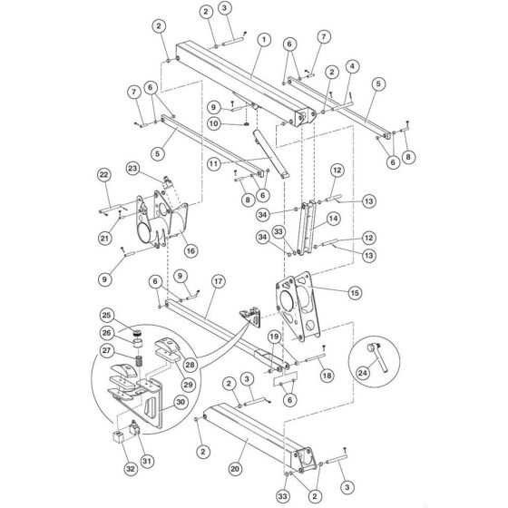
The Links Assembly for Niftylift HR21 SP64 Hybrid AWD Access Platforms is a crucial component designed to ensure optimal performance and safety. This genuine Niftylift part includes various essential elements that connect and support the platform's structure, enhancing stability and functionality. Ideal for routine maintenance and repairs, it helps maintain the platform's reliability and efficiency.
Reviews
Add a review
Write Your Own Review
Ask a Question
Customer Questions

