Description
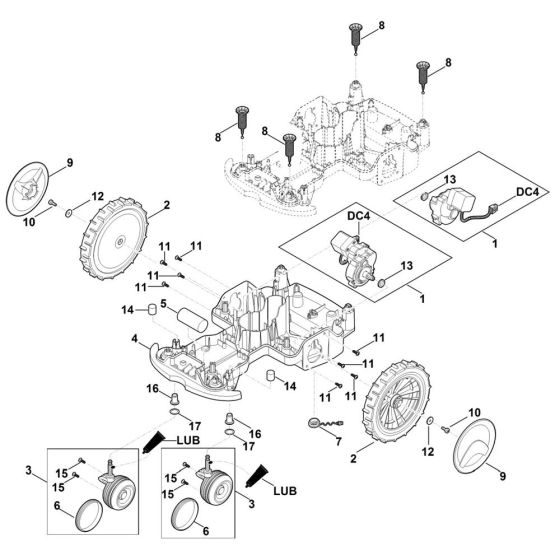
The Lower Housing Assembly for the Stihl RMI 422.0 PC Robotic Mower is designed to protect and support the mower's internal components. This assembly ensures the mower operates efficiently by housing critical parts such as the motor, wheels, and sensors. Genuine Stihl parts guarantee compatibility and durability, maintaining the mower's performance and longevity.
Reviews
Add a review
Write Your Own Review
Ask a Question
Customer Questions

