Description
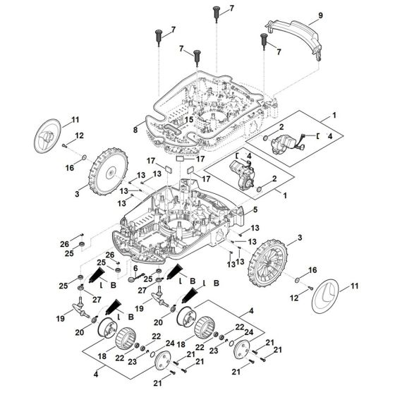
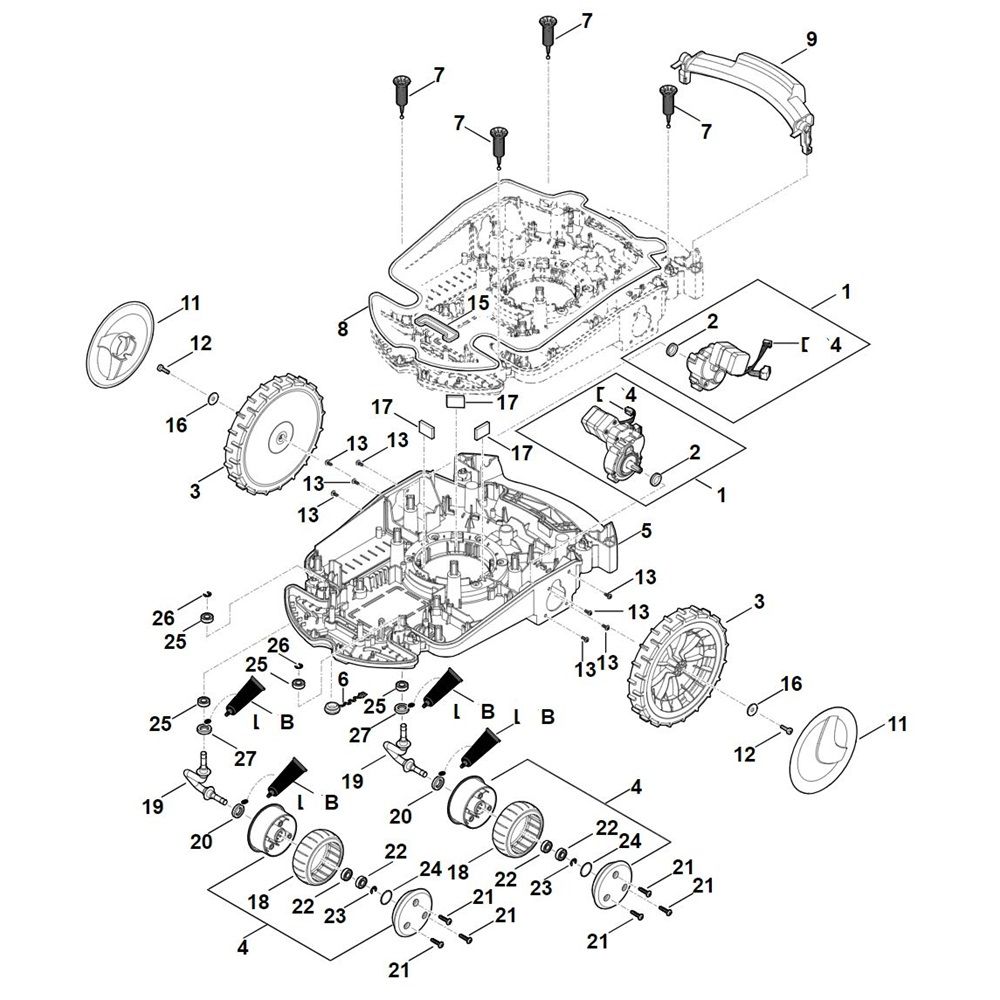
The Lower Housing and Chassis for Stihl RMI 632.1 Robotic Mowers are essential for maintaining the structural integrity and functionality of your mower. These genuine Stihl parts ensure a perfect fit and reliable performance. Designed to withstand outdoor conditions, they provide a sturdy base for the mower's components, protecting them from damage and wear.
Reviews
Add a review
Write Your Own Review
Ask a Question
Customer Questions

