Description
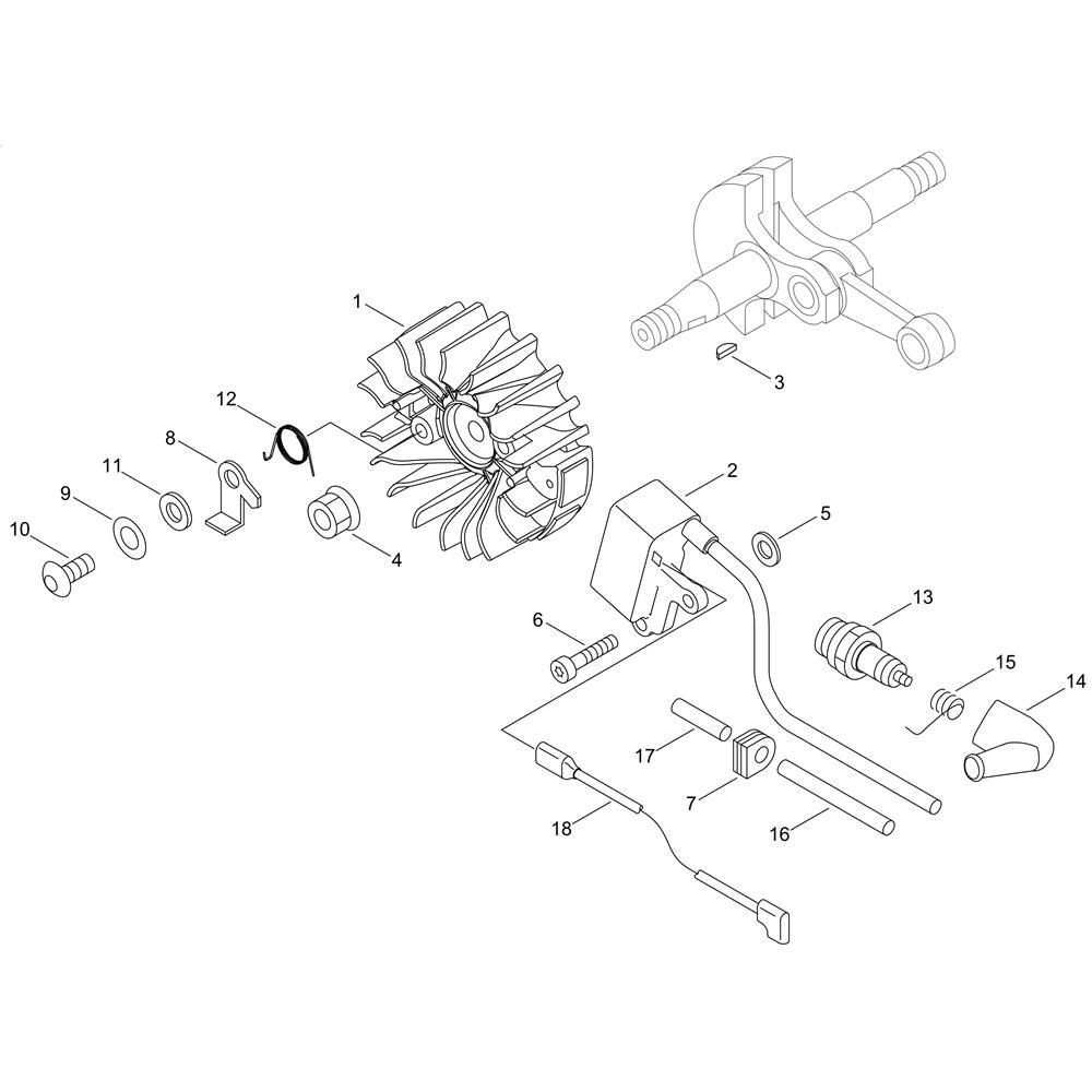
The Magneto for the Shindaiwa 362TS Chainsaw is crucial for generating the electrical current needed for ignition. This component ensures efficient engine start-up and consistent operation. Available in both genuine and non-genuine parts, it is designed to fit seamlessly with the Shindaiwa 362TS model, providing reliable performance and durability.
Reviews
Add a review
Write Your Own Review
Ask a Question
Customer Questions

