Description
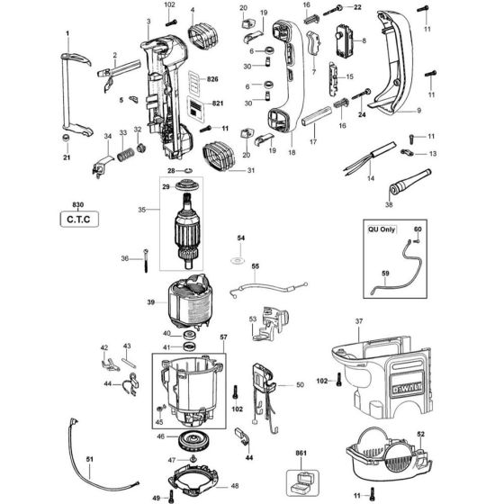
The Main Assembly for the DeWalt D25701K Type 1 Rotary Hammer includes key components essential for its operation and maintenance. Designed to ensure optimal performance, this assembly features parts such as gears, bearings, and seals. Suitable for both genuine and non-genuine replacements, it supports the tool's durability and efficiency.
Reviews
Add a review
Write Your Own Review
Ask a Question
Customer Questions

