Description
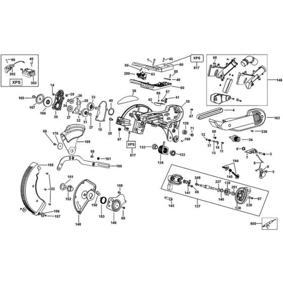
The Main Assembly for the DeWalt D27107 Type 6 Combination Saw includes critical components to ensure optimal performance and longevity. This genuine DeWalt part is designed to support the saw's functionality, providing stability and precision during operation. Components such as brackets, fasteners, and levers are included to maintain the saw's efficiency and reliability.
Reviews
Add a review
Write Your Own Review
Ask a Question
Customer Questions

