Description
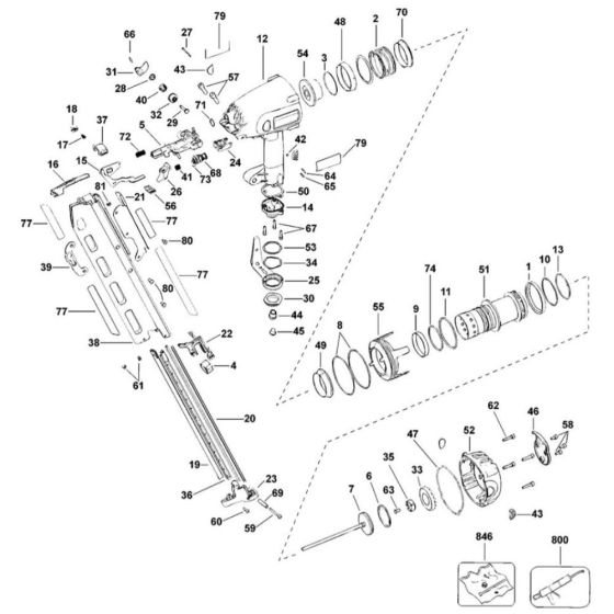
The Main Assembly for DeWalt D51845 Type 1 Nailers includes key components essential for the tool's operation and longevity. This assembly ensures optimal performance by integrating parts like springs, levers, and seals, which are crucial for maintaining the nailer's functionality. Genuine DeWalt parts guarantee compatibility and reliability, making them ideal for routine maintenance and repairs.
Reviews
Add a review
Write Your Own Review
Ask a Question
Customer Questions

