Description
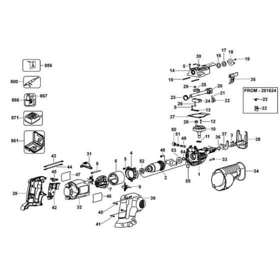
Main Assembly for the DeWalt DC385KB Type 2 Cordless Reciprocating Saw includes essential components to ensure optimal performance and longevity. This genuine DeWalt part is designed for efficient cutting and reliable operation. Components such as blades, clamps, and housings are included to maintain the saw's functionality and precision.
Reviews
Add a review
Write Your Own Review
Ask a Question
Customer Questions

