Description
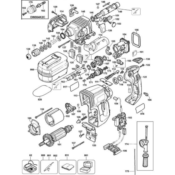
The Main Assembly for the DeWalt DW004K Type 1 Rotary Hammer includes essential components to ensure optimal performance and durability. Designed for effective drilling and chiselling, this assembly helps maintain the tool's efficiency. Available parts include gears, bearings, seals, and switches, providing comprehensive support for maintenance and repair tasks.
Reviews
Add a review
Write Your Own Review
Ask a Question
Customer Questions

