Description
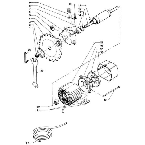
Main Assembly for the DeWalt DW1201 Radial Arm Saw includes key components essential for the machine's operation. This genuine DeWalt part ensures optimal performance and longevity. The assembly typically comprises elements such as bearings, gears, and levers, which are crucial for maintaining the saw's precision and efficiency.
Reviews
Add a review
Write Your Own Review
Ask a Question
Customer Questions

