Description
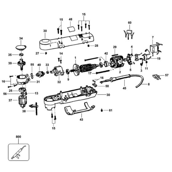
The Main Assembly for the DeWalt DW160 Type 2 Right Angle Drill is designed to ensure optimal performance and longevity. This genuine DeWalt part includes critical components such as gears, bearings, and housings, which are essential for maintaining the drill's functionality and efficiency. Suitable for routine maintenance and repairs, it helps in reducing wear and tear, ensuring smooth operation.
Reviews
Add a review
Write Your Own Review
Ask a Question
Customer Questions

