Description
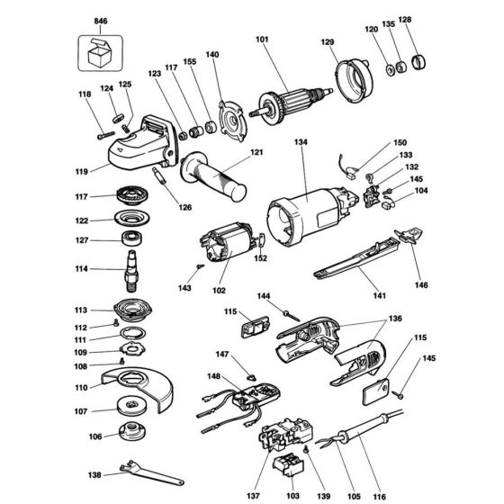
The Main Assembly for DeWalt DW458K Type 1 Angle Grinders includes essential components to ensure optimal performance and durability. This assembly is crucial for maintaining the grinder's efficiency and includes parts such as gears, bearings, and housings. Designed for precision and reliability, these genuine DeWalt parts help extend the lifespan of your angle grinder.
Reviews
Add a review
Write Your Own Review
Ask a Question
Customer Questions

