Description
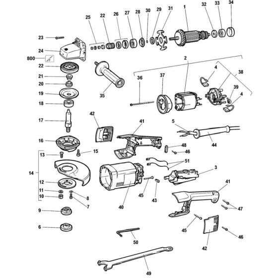
The Main Assembly for DeWalt DW490 Type 3 Angle Grinders comprises genuine DeWalt parts essential for maintaining optimal performance. This assembly includes key components such as gears, bearings, and housings, ensuring efficient operation and durability. Designed for routine maintenance and repair, it helps extend the lifespan of your angle grinder by ensuring all parts function smoothly together.
Reviews
Add a review
Write Your Own Review
Ask a Question
Customer Questions

