Description
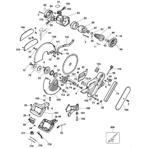
The Main Assembly for the DeWalt DW708 Type 1 Mitre Saw is a crucial component for maintaining the saw's precision and functionality. This genuine DeWalt part includes essential elements that ensure smooth operation and accurate cuts. Designed for reliability, it supports the saw's performance and longevity.
Reviews
Add a review
Write Your Own Review
Ask a Question
Customer Questions

