Description
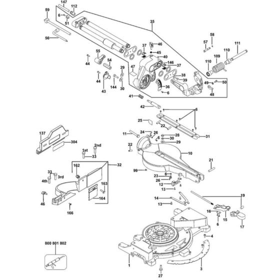
The Main Assembly for the DeWalt DW712 Type 3 Mitre Saw includes key components essential for the tool's operation and precision. This genuine DeWalt part ensures compatibility and reliability, supporting tasks such as cutting and trimming. Components may include levers, guards, and fasteners, all designed to maintain the saw's performance and safety standards.
Reviews
Add a review
Write Your Own Review
Ask a Question
Customer Questions

