Description
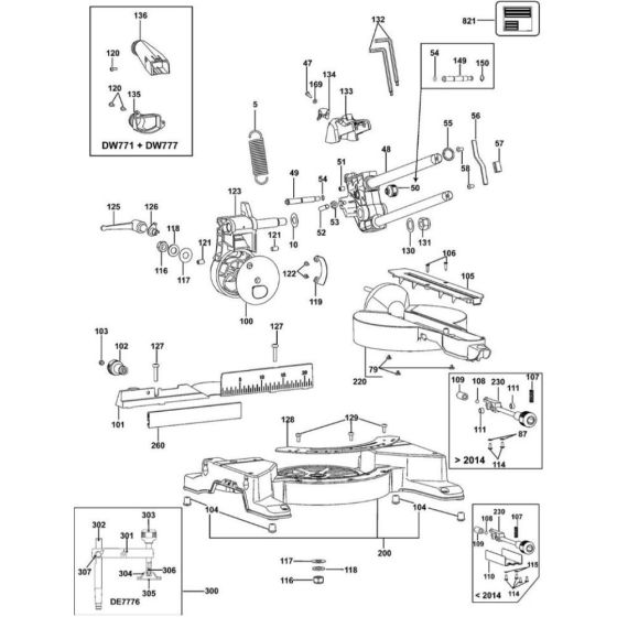
The Main Assembly for the DeWalt DW777 Type 2 Mitre Saw includes key components essential for the saw's operation and precision. This genuine DeWalt part ensures optimal performance and longevity. Typical components in the assembly may include levers, springs, and adjustment mechanisms, all designed to maintain the saw's accuracy and efficiency.
Reviews
Add a review
Write Your Own Review
Ask a Question
Customer Questions

