Description
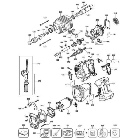
The Main Assembly for the DeWalt DW999K Type 1 Rotary Hammer includes essential components to ensure optimal performance and durability. This assembly is crucial for maintaining the tool's efficiency, featuring parts like gears, bearings, and seals. Available in both genuine and non-genuine options, it supports various repair and maintenance needs.
Reviews
Add a review
Write Your Own Review
Ask a Question
Customer Questions

