Description
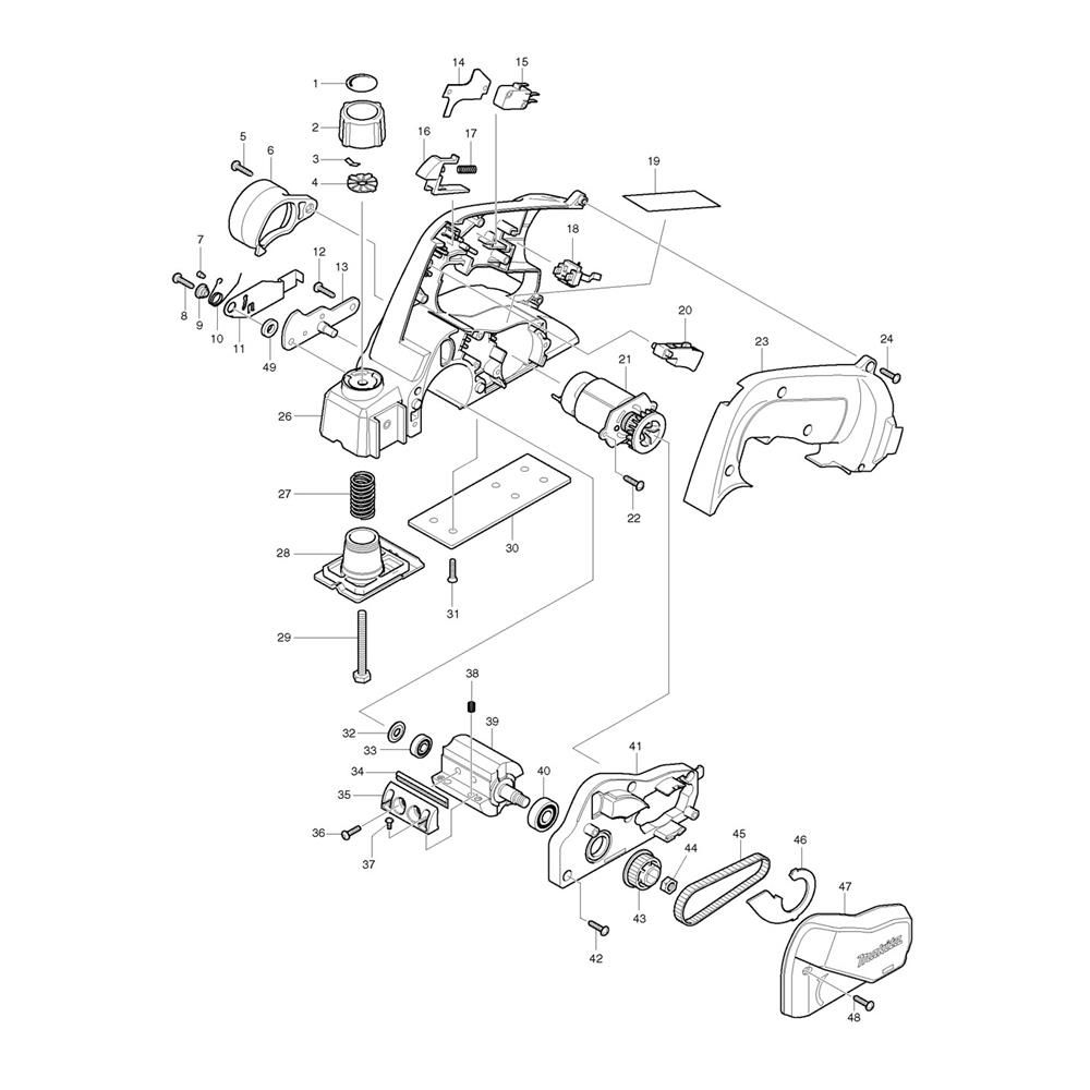
The Complete Assembly for the Makita 1051DWDE Cordless Planer includes essential components to ensure optimal performance and longevity. This genuine Makita assembly helps maintain the planer's efficiency by providing reliable parts such as blades, belts, and housings. Designed for easy integration, it supports routine maintenance and repair tasks.
Reviews
Add a review
Write Your Own Review
Ask a Question
Customer Questions


