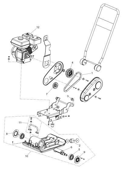
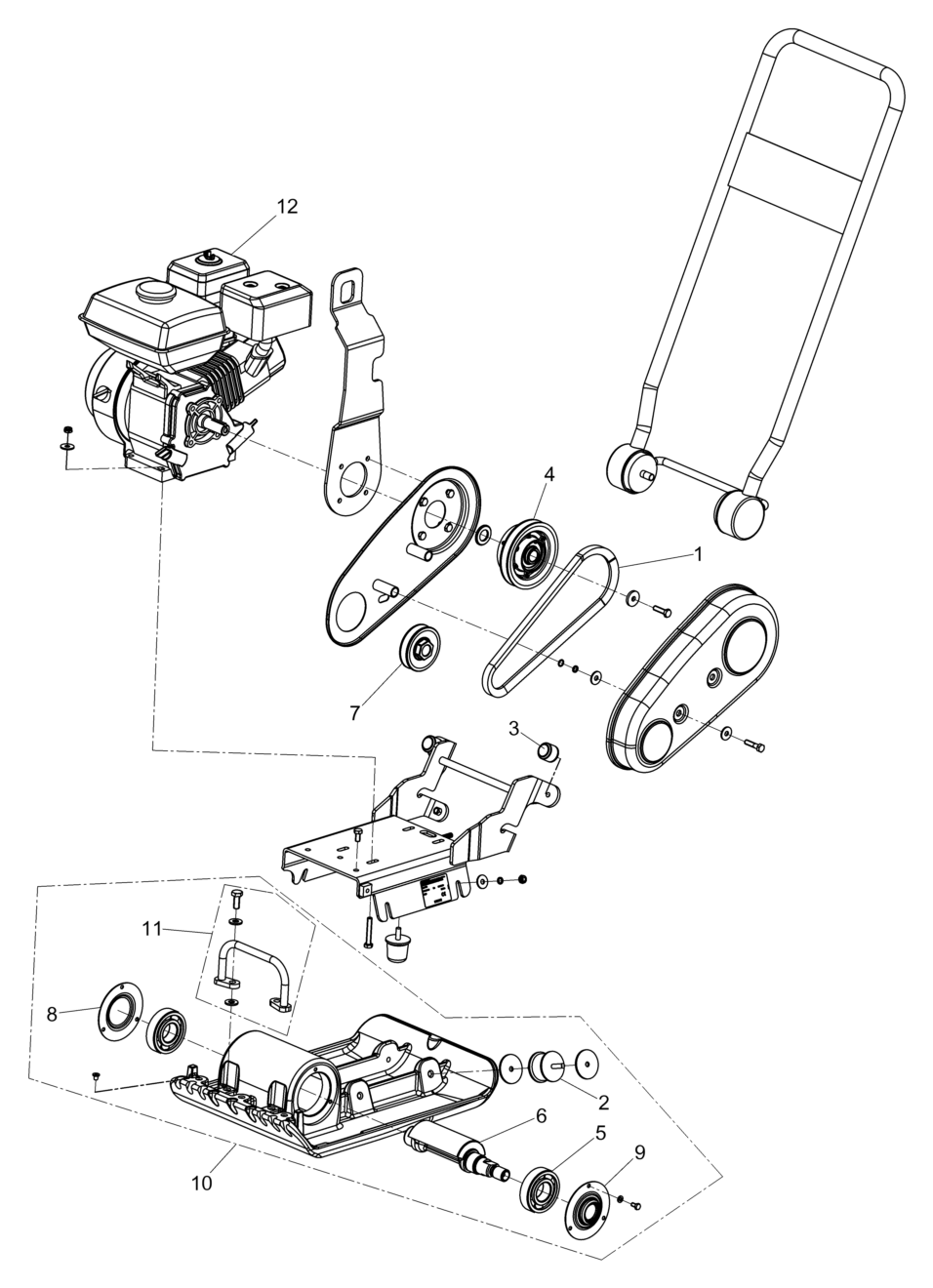
Description
The Main Assembly for the Wacker MP12 Forward Plate Compactor includes essential components to ensure optimal performance and longevity. This assembly is crucial for maintaining the compactor's efficiency, providing reliable operation in construction and landscaping tasks. Genuine Wacker Neuson parts are used to ensure compatibility and durability.
Reviews
Add a review
Write Your Own Review
Ask a Question
Customer Questions

