Description
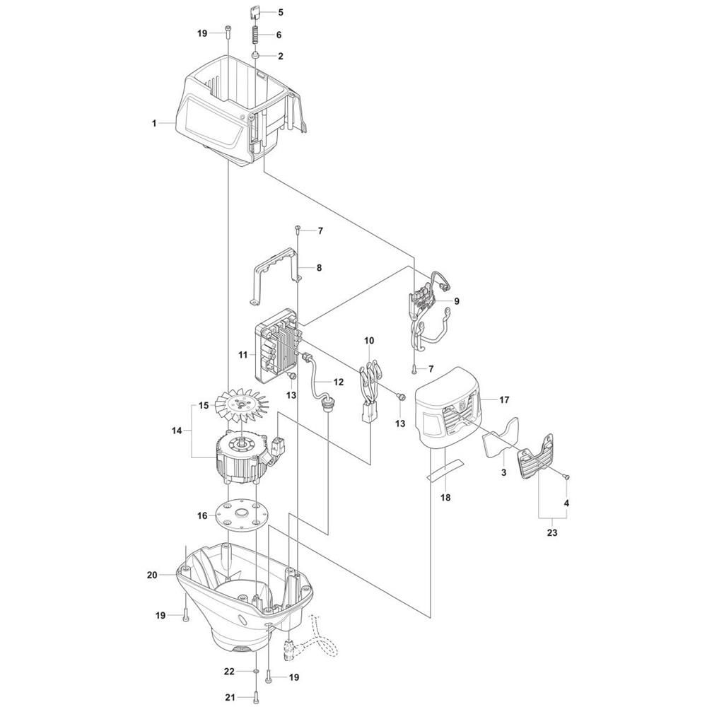
The Motor Assembly for the Husqvarna BV 30i Screed is designed to ensure optimal performance and longevity of your concrete screed. This assembly includes essential components such as the motor, housing, and connectors, which work together to provide reliable power and efficiency. Genuine Husqvarna parts ensure compatibility and durability, making it ideal for maintaining your screed's functionality.
Reviews
Add a review
Write Your Own Review
Ask a Question
Customer Questions

