Description
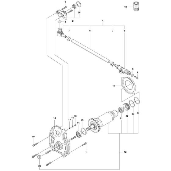
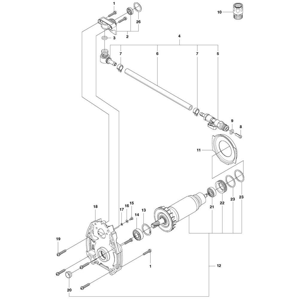
The Motor Assembly for the Husqvarna DM 280 Core Drill is designed to ensure optimal performance and longevity of your drilling equipment. This assembly includes key components necessary for efficient operation, such as stators, rotors, and bearings. It plays a crucial role in maintaining the power and reliability of the core drill, making it suitable for demanding drilling tasks.
Reviews
Add a review
Write Your Own Review
Ask a Question
Customer Questions

