Description
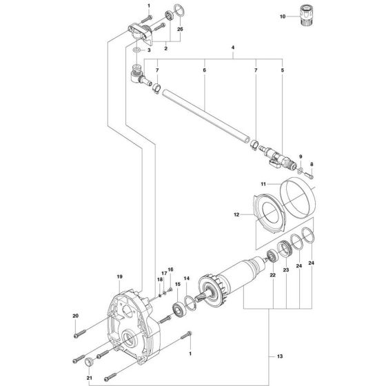
The Motor Assembly for the Husqvarna DM 340 Core Drill is designed to ensure optimal performance and longevity. This assembly includes key components such as the motor housing, rotor, and stator, which are essential for efficient drilling operations. Genuine Husqvarna parts ensure compatibility and reliability, making it suitable for both professional and DIY use.
Reviews
Add a review
Write Your Own Review
Ask a Question
Customer Questions

