Description
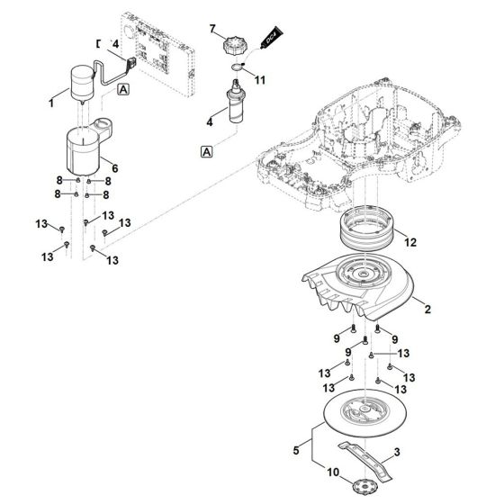
The Mowing Deck and Height Adjustment assembly for the Stihl RMI 422.2 P Robotic Mower ensures optimal cutting performance and adaptability to various grass heights. This genuine Stihl component is essential for maintaining the mower's efficiency and precision. The assembly includes key parts such as the deck, height adjusters, and connecting elements, designed to withstand regular use and environmental conditions.
Reviews
Add a review
Write Your Own Review
Ask a Question
Customer Questions

