Description
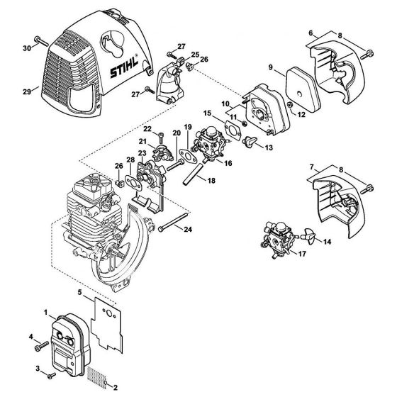
The Muffler & Air Filter Assembly for the Stihl FR130T Backpack Brushcutter is essential for maintaining optimal performance and reducing emissions. This assembly includes components like filters, mufflers, and gaskets, ensuring efficient operation and engine protection. Designed for routine maintenance, it helps in reducing noise and improving airflow. Available in genuine and non-genuine parts.
Reviews
Add a review
Write Your Own Review
Ask a Question
Customer Questions

